2025 年 3 月 11 日,德州仪器(TI)宣布推出全球最小微控制器(MCU)MSPM0C1104,尺寸仅 1.38 平方毫米,比现有最小 MCU 缩小 38%。该产品采用晶圆芯片级封装(WCSP),专为医疗可穿戴、电动牙刷等紧凑型设备设计。
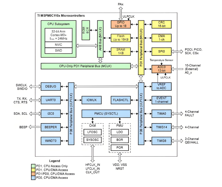
核心技术参数
- 处理器:24MHz Arm® Cortex®-M0 + 内核
- 存储:1KB SRAM + 16KB 内存
- 模拟能力:12 位 ADC(3 通道)+ 片上振荡器(精度 ±1.2%)
- 电源:1.62V-3.6V 宽压支持
- 接口:UART/SPI/I²C 兼容,5V 容错 I/O
- 温度:-40°C 至 125°C 宽温工作
应用场景优化
通过集成高速模拟组件,工程师可在极小空间内实现:
- 医疗设备的高精度传感器信号处理
- 可穿戴设备的低功耗运动监测
- 消费电子的微型化控制(如手写笔)
开发支持与成本
- 工具链:Zero Code Studio 支持快速配置
- 扩展性:引脚兼容 MSPM0 系列其他封装
- 价格:1,000 片起单价 0.16 美元
总结
TI MSPM0C1104 重新定义微型 MCU 标准。亿配芯城与ICGOODFIND已同步上线该产品,提供技术文档、开发套件及批量采购支持,助力客户实现产品微型化创新。